X    Please Wait...
close
Search Suggestions
Related Products
Phone Houston: 1-800-289-4756
  Atlanta: 1-800-875-4756
Gulf States Laundry

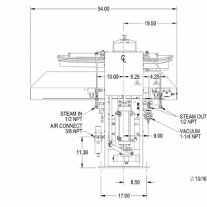
Unipress 42" RH Hot Head Utility Buck

Product ID: 42RXH


Setting the Gold Standard

© 2024 Gulf States Dry Clean Company, All Rights Reserved. | Website Design by: IS&T